Product Specifications
| Model No.: | DNC STANDARD SQUARE ALUMINUM CYLINDER BARREL | Brand: | WEIYINGSI |
| Applicable Industry: | Cylinder | Place Of Origin: | FOSHAN,CHINA |
| Inner Roughness: | Ra< 0.4 um | Heat Resistant Temperature: | reach 200 degrees |
| Heat Treatment: | over 4 hour | Honing: | 2 times |
| Anodized Layer: | 15~25 um | Surface treatment: | 100 mesh fine sand |
| Working Pressure: | under 8 Mpa | Hardness: | hv 420 |

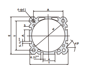
| NO | d | E | T | A | 4-d1 |
| 1 | 32 | 44*44 | 32.5*32.5 | 8.2 | 5.1 |
| 2 | 40 | 51*51 | 38*38 | 11 | 5.1 |
| 3 | 50 | 64*64 | 46.5*46.5 | 17 | 6.7 |
| 4 | 63 | 75*75 | 56.5*56.5 | 26 | 6.7 |
| 5 | 80 | 93*93 | 72*72 | 28 | 8.7 |
| 6 | 100 | 111*111 | 89*89 | 35 | 8.7 |
| 7 | 125 | 133*133 | 110*110 | 49.6 | 10.3 |

| NO | d | E | T | C | D | 4-d1 |
| 1 | 40 | 53*53 | 38*38 | 17 | 6 | 4.2 |
| 2 | 50 | 64*64 | 46.5*46.5 | 22 | 10 | 6.9 |
| 3 | 63 | 74*74 | 56.5*56.5 | 28 | 10 | 6.9 |
| 4 | 80 | 95*95 | 72*72 | 33 | 12 | 8.9 |
| 5 | 100 | 110*110 | 89*89 | 61 | 15 | 8.9 |
Product Features

DNC Standard Cylinder Technical Specifications & Applications
The DNC standard cylinder, engineered with precision-machined square cylinder tube structures, strictly complies with DIN/ISO 6431 standards. Utilizing extruded aluminum alloy, the DNC cylinder barrel achieves exceptional durability while maintaining lightweight properties, supporting a maximum stroke of 1000mm with integrated pneumatic and mechanical damping systems. The robust square cylinder tube design enhances torsional rigidity by 40% compared to traditional cylindrical models, making the DNC standard cylinder ideal for high-precision industrial automation scenarios.
In single-acting configurations, the DNC cylinder barrel relies on spring return mechanisms for energy-efficient operations, whereas double-acting variants of the DNC standard cylinder deliver balanced inlet/outlet pressure control (0.5-0.7 MPa recommended) to handle heavy loads in metallurgical machinery and plastic injection systems. Both designs feature adjustable end caps with tunable cushioning valves, reducing terminal impact by up to 20% through optimized airflow regulation. The square cylinder tube's flat surfaces enable seamless integration with ISO 15552 mounting brackets, simplifying installation in confined spaces.
Key Applications of the DNC Standard Cylinder
Plastic Machinery: The DNC cylinder barrel powers mold clamping units with ±0.1mm repeatability.
Metallurgical Equipment: The square cylinder tube resists deformation in high-temperature rolling mills.
Food Packaging Automation: Corrosion-resistant DNC standard cylinder actuators ensure hygienic production lines.
Material Handling: Guided square cylinder tube systems stabilize loads exceeding 500kg.
Critical Operational Guidelines
For double-acting DNC standard cylinder models, maintain balanced intake/exhaust pressure to prevent piston rod buckling.
When the DNC cylinder barrel stroke exceeds 500mm, install auxiliary guide rails (e.g., SBR20 linear modules) to eliminate lateral deflection.
Lubricate the square cylinder tube's internal guide channels monthly using ISO VG32 hydraulic oil.
The anodized DNC cylinder barrel supports IP67 protection; for acidic environments, optional PTFE-coated square cylinder tube versions are available.
Performance Advantages
DNC Standard Cylinder: 100,000km service life under 1 million load cycles (ISO 6431 certified).
Square Cylinder Tube: 30% higher side load capacity via reinforced corner geometry.
DNC Cylinder Barrel: -20°C to +120°C operational range with thermal expansion compensation.
With its modular square cylinder tube architecture and field-proven DNC standard cylinder reliability, this system reduces downtime by 15% in continuous production environments. For ultra-long-stroke applications, the DNC cylinder barrel can be custom-fitted with mid-stroke support brackets to prevent sagging.
Packaging & Delivery
| Selling Units: | Meter |
| Package Type: | 1. Film anti wear protection 2. Optional cardboard packaging 3. Use export wooden boxes for large quantities |
| Picture Example: | ![]() |
Supply Ability
| Transportation | Ocean,Land,Air,Express |
| Supply Ability | 100000Meters/month |
| Port | Foshan,Guangzhou,Shenzhen |
| Payment Type | L/C,T/T,Paypal |
| Incoterm | FOB,EXW |

FAQ
Q: Are you available to supply aluminum cylinder tube samples?
A: Yes, Weiyingjia is able to provide aluminum cylinder tube for you check quality,Normally stock sample is for free for saving your cost, but it will require mold cost if custom tube size.
Q: What’s your MOQ of aluminum cylinder tube?
A: If the require size we have stock.1pcs 2.4meter is ok.
Q: How long time of your aluminum cylinder tube to prepare?
A: It is only taking 7-10 days to complete your sample if the sample size is in stock.For bulk order, lead time according factory production plan, usually 7-25 days.
Q: What is payment terms of aluminum cylinder tube?
A: 30% T/T in advance, the balance payment is paid before shipment.
Q: Which type of surface finishes are you capable to make aluminum cylinder tube?
A: Normally Outer Hard Anodizing, Inner Matt sandy Anodizing.
Q: Are you trading company of factory?
A: We are manufacturer with over 20 years' experience in aluminum product,you will get top quality products and services. We can also OEM and ODM.
Our partners

Package

Qualification certification

SGS testing and certification

QUALITYMANAGEMENTSYSTEM CERTIFICATE