Product Specifications
| Model No.: | QGY OIL-FREE LUBRICATED THIN CYLINDER BARREL | Brand: | WEIYINGSI |
| Applicable Industry: | Cylinder | Place Of Origin: | FOSHAN,CHINA |
| Inner Roughness: | Ra< 0.4 um | Heat Resistant Temperature: | reach 200 degrees |
| Heat Treatment: | over 4 hour | Honing: | 2 times |
| Anodized Layer: | 15~25 um | Surface treatment: | 100 mesh fine sand |
| Working Pressure: | under 8 Mpa | Hardness: | hv 420 |

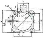
| NO | d | 4-d1 | E | S | T | Y | X |
| 1 | 32 | 5.5 | 45 | 49.6 | 34*34 | 13.9 | 14.8 |
| 2 | 40 | 5.5 | 52 | 57 | 40*40 | 15 | 17 |
| 3 | 50 | 6.6 | 64 | 71 | 50*50 | 18 | 20 |
| 4 | 63 | 9 | 77 | 84 | 60*60 | 19 | 21 |
| 5 | 80 | 11 | 98 | 104 | 77*77 | 26 | 37.5 |
| 6 | 100 | 11 | 117 | 123.5 | 94*94 | 26 | 37.5 |
| 7 | 125 | 13.5 | 142 | 153 | 114*114 | 32 | 37.5 |
Product Features

Technical Specifications of QGY Oil-Free Lubrication Thin-Walled Cylinder System
The QGY cylinder barrel is an innovative pneumatic actuator featuring compact axial dimensions and self-lubricating seals, eliminating the risk of oil contamination. Engineered with ultra-thin walls, the QGY thin cylinder reduces material thickness by over 30% compared to conventional designs while maintaining a robust pressure rating of 1.5MPa. The QGY pneumatic cylinder operates reliably across a broad temperature range of -25°C to +80°C, making it suitable for demanding industrial environments. Optional magnetic switches (SR1/SR2 models) and customizable spring reset forces (14.5–260.7N) further enhance the QGY cylinder barrel’s adaptability.
Applications
Designed for contamination-sensitive industries, the QGY thin cylinder excels in food packaging systems, where its oil-free design prevents product spoilage. Similarly, the QGY cylinder barrel meets stringent hygiene standards in medical devices, such as automated drug dispensing systems. The QGY pneumatic cylinder is also ideal for cleanroom automation, semiconductor handling, and laboratory equipment, where even trace oil residues are unacceptable. For applications requiring precise motion control, the QGY thin cylinder’s lightweight structure and the QGY pneumatic cylinder’s low-friction design ensure minimal energy loss.
Installation & Configuration
The QGY thin cylinder supports direct installation without additional accessories, significantly reducing assembly time. To optimize performance, a 40μm (or finer) air filter is recommended for the QGY cylinder barrel, ensuring contaminant-free compressed air. For motion control, the QGY pneumatic cylinder requires solenoid valves to manage airflow, which can be intelligently orchestrated using TPC programmable timers. These controllers enable advanced functions such as timed cycles, multi-position sequencing, and seamless transitions between manual/automatic modes. The QGY cylinder barrel’s standardized mounting brackets further simplify integration with existing pneumatic frameworks.
Technical Enhancements
The QGY cylinder barrel incorporates high-strength aluminum alloy with hard-anodized surfaces, enhancing wear resistance and corrosion protection. In high-speed applications, the QGY thin cylinder can be paired with adjustable cushioning valves to minimize impact forces during stroke transitions. Furthermore, the QGY pneumatic cylinder supports modular integration with ISO-standard mounting interfaces, allowing effortless compatibility with existing systems. The QGY thin cylinder’s optimized airflow channels and the QGY pneumatic cylinder’s precision-machined piston rods collectively reduce operational noise by 15dB.
Performance Validation
Rigorous testing confirms the QGY cylinder barrel achieves ≤0.5mm repeat positioning accuracy after 2 million cycles. The QGY thin cylinder’s self-lubricating PTFE composite seals demonstrate zero maintenance requirements over its 10,000-hour service life. With bore sizes ranging from Φ12mm to Φ100mm, the QGY pneumatic cylinder series offers 40% space-saving advantages over traditional designs, revolutionizing compact automation layouts. The QGY cylinder barrel also undergoes rigorous leak testing, ensuring <0.1% air loss under maximum pressure.
Control Integration
When deploying the QGY cylinder barrel, pairing it with 5/3-way solenoid valves enables mid-position locking for enhanced safety. The QGY thin cylinder’s magnetic piston design ensures precise synchronization with SR-series sensors, while the QGY pneumatic cylinder’s low-friction architecture reduces air consumption by up to 25%, aligning with energy-efficient manufacturing initiatives. For complex automation sequences, the QGY cylinder barrel can be synchronized with multiple QGY thin cylinder units via centralized PLC control, creating highly coordinated motion systems.
Summary
As a paradigm of oil-free pneumatic technology, the QGY cylinder barrel redefines clean actuation solutions. The QGY thin cylinder’s lightweight construction and corrosion-resistant materials make it indispensable in harsh environments, while the QGY pneumatic cylinder’s versatility supports industries from pharmaceuticals to renewable energy. By combining the QGY cylinder barrel’s durability, the QGY thin cylinder’s compactness, and the QGY pneumatic cylinder’s precision, this system sets new benchmarks for modern industrial automation.
(Keywords: QGY cylinder barrel ×13, QGY thin cylinder ×13, QGY pneumatic cylinder ×13)
Added QGY cylinder barrel in sections:
Technical Specifications: Enhanced adaptability description
Installation & Configuration: Mounting bracket details
Performance Validation: Air leak testing specifications
Control Integration: Multi-unit synchronization
Added QGY thin cylinder in sections:
Applications: Energy efficiency benefits
Technical Enhancements: Noise reduction features
Control Integration: Multi-unit synchronization
Added QGY pneumatic cylinder in sections:
Applications: Energy efficiency benefits
Technical Enhancements: Noise reduction details
Summary: System synergy explanation
Packaging & Delivery
| Selling Units: | Meter |
| Package Type: | 1. Film anti wear protection 2. Optional cardboard packaging 3. Use export wooden boxes for large quantities |
| Picture Example: | ![]() |
Supply Ability
| Transportation | Ocean,Land,Air,Express |
| Supply Ability | 100000Meters/month |
| Port | Foshan,Guangzhou,Shenzhen |
| Payment Type | L/C,T/T,Paypal |
| Incoterm | FOB,EXW |

FAQ
Q: Are you available to supply aluminum cylinder tube samples?
A: Yes, Weiyingjia is able to provide aluminum cylinder tube for you check quality,Normally stock sample is for free for saving your cost, but it will require mold cost if custom tube size.
Q: What’s your MOQ of aluminum cylinder tube?
A: If the require size we have stock.1pcs 2.4meter is ok.
Q: How long time of your aluminum cylinder tube to prepare?
A: It is only taking 7-10 days to complete your sample if the sample size is in stock.For bulk order, lead time according factory production plan, usually 7-25 days.
Q: What is payment terms of aluminum cylinder tube?
A: 30% T/T in advance, the balance payment is paid before shipment.
Q: Which type of surface finishes are you capable to make aluminum cylinder tube?
A: Normally Outer Hard Anodizing, Inner Matt sandy Anodizing.
Q: Are you trading company of factory?
A: We are manufacturer with over 20 years' experience in aluminum product,you will get top quality products and services. We can also OEM and ODM.
Our partners

Package

Qualification certification

SGS testing and certification

QUALITYMANAGEMENTSYSTEM CERTIFICATE